5G NR fiber-wireless converged systems by injection locking multi-optical carrier into directly-modulated lasers

5G NR fiber-wireless converged systems by injection locking multi-optical carrier into directly-modulated lasers (DMLs) are demonstrated. The successful transport of 5G NR signals through fiber-wireless convergence demonstrates the potential to meet next-generation communications.
Like

Share this post

Choose a social network to share with, or copy the URL to share elsewhere

This is a representation of how your post may appear on social media. The actual post will vary between social networks

High-transmission-rate access networks are critical to facilitate widespread adoption and seamless operation of various advanced technologies. In the demonstration, we present a 5G NR fiber-wireless converged system by injection locking multi-optical carrier into DMLs. Compared with external modulation based on Mach-Zehnder modulators or in-phase/quadrature modulators, 10, 20, and 40 Gb/s different data rates are implemented through direct modulation of lasers using 16-QAM-OFDM signal, providing a way with low-cost and low-complexity. A DFB laser diode (LD) is modulated directly by an RF signal to produce multi-optical carrier with specific carrier spacing. After being enhanced by an optical carrier noise (OCNR) enhancement device and selected by an optical bandpass filter, an optical comb source with 7 optical carriers is produced. Through light injection locking into the DMLs, 10, 20, and 40 Gb/s 16-QAM-OFDM signals are applied to three of the optical carriers. Since an unmodulated optical carrier performs as an optical local oscillator (LO), 5G NR communications at MMW and THz frequency range are creatively generated. An optical comb source, primarily comprising a DFB LD with multi-optical carrier for injection locking into DMLs, is used in 5G NR fiber-wireless converged systems. The proposed method is attractive since it avoids the requirement for costly components such as gain-switched discrete mode laser and mode-locked InAs quantum dot laser, sophisticated electro-optic optical frequency comb-based supercontinuum source, complicated micro-resonator-based optical comb source, and costly and complex cascaded phase modulator with intensity modulator. By addressing the key concern of simplifying the optical comb source, the proposed approach that employs a DFB LD with multi-optical carrier for injection locking into DMLs offers a practical and cost-effective solution for deploying 5G NR fiber-wireless converged systems. The successful transport of MMW and sub-THz signals over fiber-wireless convergence exemplifies the advanced capabilities required for 5G NR. It highlights the system’s ability to meet high total data rates and large coverage requirements.

As depicted in Fig. 1(a), the optical comb source comprises a DFB LD, an OCNR enhancement device, and an optical band-pass filter (OBPF). A DFB LD, with 1550.34 nm center wavelength, is directly modulated by a 20-GHz RF signal. By properly driving RF signal on the DFB LD, multiple optical carriers are produced with 20 GHz carrier spacing. The number of optical carriers depends on the modulation index of the RF signal applied to the DFB LD. A higher optical modulation index brings on more optical carriers. By adjusting the amplitude of the 20 GHz RF signal, we can control the number of optical carriers produced. As for the carrier spacing of optical carriers, it is decided by the frequency of the RF signal. In this case, the frequency of the RF signal is 20 GHz, resulting in 20 GHz carrier spacing. Subsequently, the produced multiple optical carriers are supplied to an OCNR enhancement device to enhance their OCNRs. Figure 1(b) shows the optical spectra of the optical comb source output with (w/) and without (w/o) OCNR enhancement device. Through the OCNR enhancement device, the OCNRs of multiple optical carriers are enhanced by about 5.4 dB. By setting the wavelengths of the optical carriers to match the free spectral range of the delay interferometer, the optical carriers are reshaped. By amplifying the optical carriers using an erbium-doped fiber amplifier (EDFA), the power levels of the optical carriers are enhanced. Reshaping the optical carriers using a delay interferometer, amplifying the power levels of optical carriers using an EDFA, as well as filtering the desired optical carriers using an OBPF, the OCNRs of multiple optical carriers are drastically enhanced.

Fig. 1 Structure of optical comb source and optical spectra with/without OCNR enhancement device. (a) Optical comb source comprises a DFB LD, an OCNR enhancement device, and an OBPF. (b) Optical spectra of the optical comb source output with (w/) and without (w/o) OCNR enhancement device.

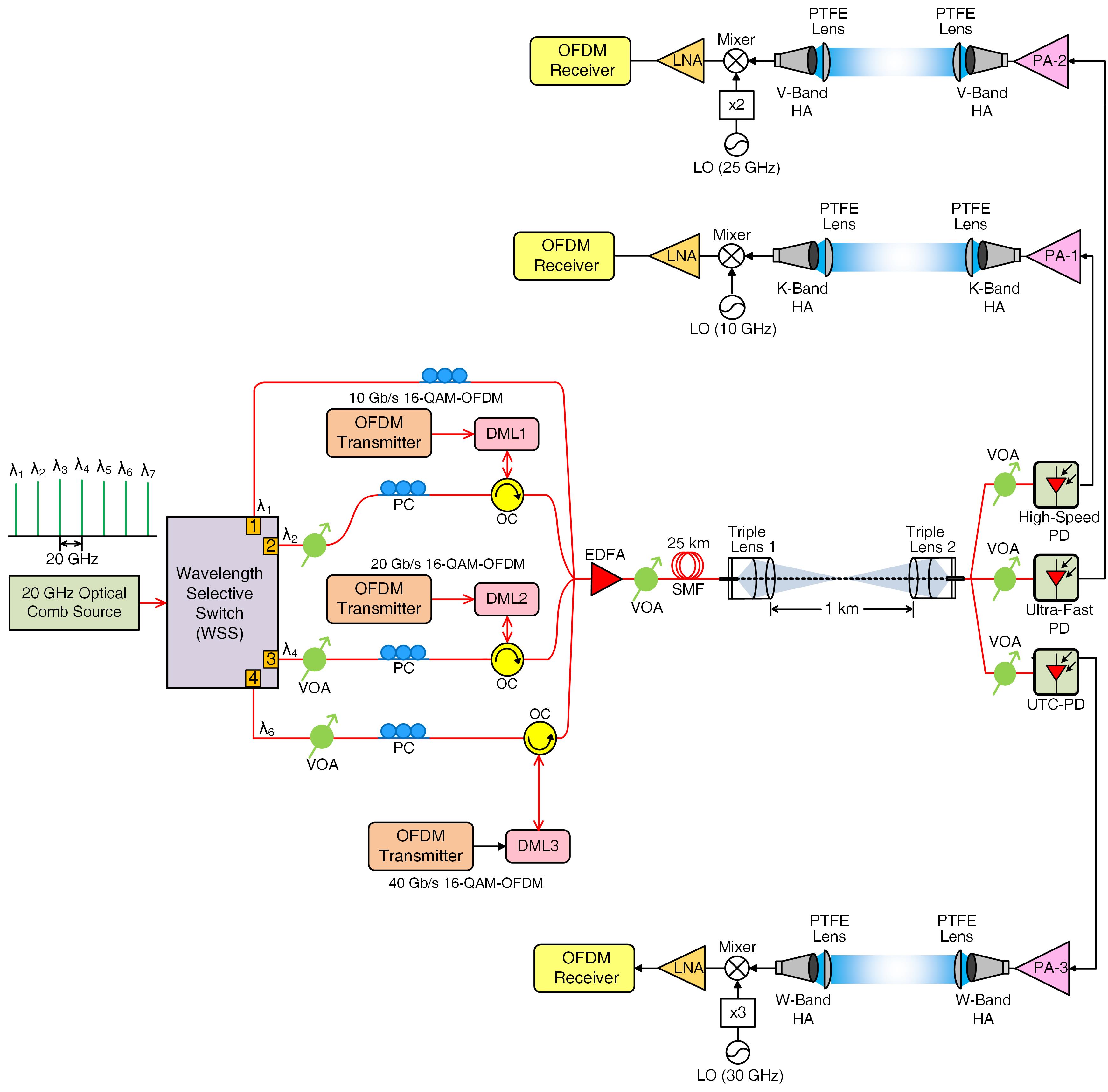
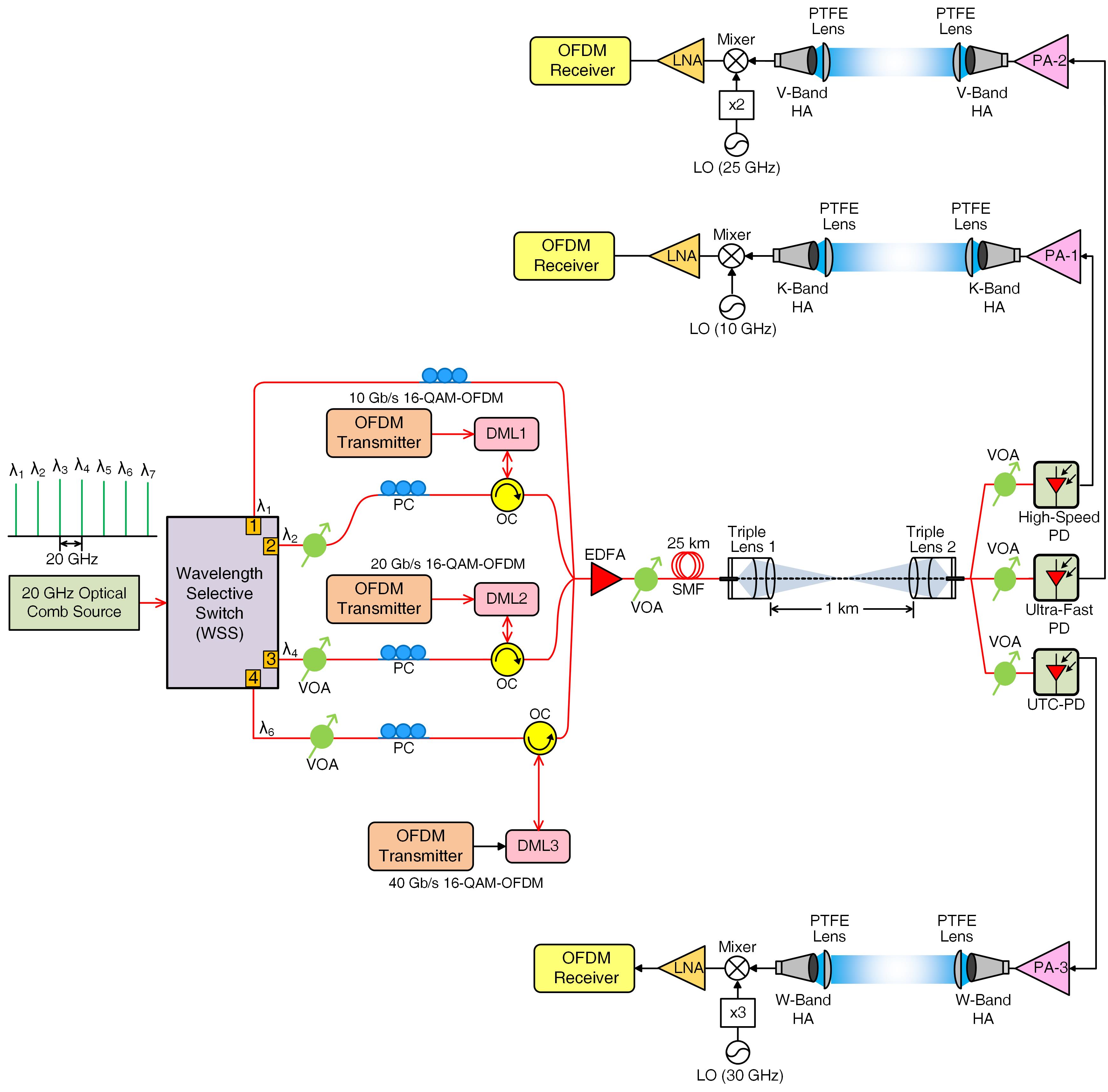
Figure 2 illustrates the architecture of 5G NR fiber-wireless converged systems employing injection locking of multi-optical carrier into DMLs, using 20-, 60-, and 100-GHz frequencies as carrier frequencies, through various media including 25-km SMF, 1.5-km optical wireless, and 12 m/22 m/33 m MMW/sub-THz wireless. A 20-GHz optical comb source generates seven optical carriers spaced 20 GHz apart. One optical carrier (λ1) from the output port 1 of wavelength selective switch remains unmodulated and serves as an optical LO. Three optical carriers from the output port 2 (λ2), 4 (λ4), and 6 (λ6) of wavelength selective switch are attenuated by variable optical attenuators, polarization-adjusted by polarization controllers, and injection-locked into DMLs through optical circulators. For data modulation, 10 Gb/s, 20 Gb/s, and 40 Gb/s single-sideband 16-QAM-OFDM signals come from OFDM transmitters modulate the DML1, DML2, and DML3, respectively. Injection locking DML1, DML2, and DML3 locked at λ2, λ4, and λ6 are thereby modulated with 16-QAM-OFDM at 10 Gb/s, 20 Gb/s, and 40 Gb/s different data rates. Optical carriers from the injection-locked DML1, DML2, and DML3 are spaced 20 GHz, 60 GHz, and 100 GHz, respectively, apart from the optical LO. One unmodulated optical LO and three modulated and injection-locked optical carriers and are then combined using a 4´1 optical coupler. The combined optical carriers pass through an EDFA. Four optical carriers are transmitted through a combination of 25 km SMF transport and 1.5 km optical wireless link using triplet lenses. After 1.5 km optical wireless link, the optical carriers are split by a 1´3 optical splitter, controlled by a variable optical attenuator, and detected by a 25-GHz high-speed PD, a 70-GHz ultra-fast PD, and a UTC-PD operating at 75-110 GHz frequencies, respectively. At the outputs of high-speed PD, ultra-fast PD and UTC-PD, 10-Gb/s/20-GHz, 20-Gb/s/60-GHz and 40-Gb/s/100-GHz 16-QAM-OFDM electrical signals are produced from the optical beating effect. These MMW/sub-THz electrical signals are separately amplified by three power amplifiers operating at different frequency bands. The amplified signals are then transmitted wirelessly using horn antennas operating in K-band at 18-26.5 GHz, V-band at 50-75 GHz, and W-band at 75-110 GHz frequencies. The MMW/sub-THz wireless link is achieved through a set of PTFE lenses operating at MMW/sub-THz frequencies. After wireless link at distances of 12 m, 22 m, and 33 m, these MMW/sub-THz signals are down-converted to intermediate frequencies using separate mixers with 10 GHz, 25 GHz, and 30 GHz electrical LOs. Thereafter, the down-converted signals are enhanced by three separate low noise amplifiers operating in the frequency range from 10 MHz to 26.5 GHz. The enhanced signals are then supplied to an OFDM receiver for performance analysis.

Fig. 2 5G NR fiber-wireless converged systems. Architecture of 5G NR fiber-wireless converged systems employing injection locking of multi-optical carrier into DMLs, using 20-, 60-, and 100-GHz frequencies as carrier frequencies, through various media including 25-km SMF, 1.5-km optical wireless, and 12 m/22 m/33 m MMW/sub-THz wireless.

Figures 3(a), 3(b), and 3(c) show the measured BERs against high-speed photodiode (PD), ultra-fast PD, and UTC-PD input power, using 16-QAM-OFDM signal at given data rates of 10 Gb/s, 20 Gb/s, and 40 Gb/s. Under the conditions through multiple transmission media, including 25 km SMF, 1.5 km optical wireless, and 12 m/22 m/33 m MMW/sub-THz wireless, at appropriate high-speed PD, ultra-fast PD, and UTC-PD input powers, the measured BERs are below the forward error correction (FEC) limit of 3.8´10−3 with 7% overhead (FEC 7%) at different data rates. Appropriate PD input powers are crucial for achieving BERs below the FEC limit. For 20 GHz MMW signal transmission using 16-QAM-OFDM signal at a data rate of 10 Gb/s [Fig. 3(a)], lowest BERs of 3.7´10−4 (12 m wireless link), 6.6´10−4 (22 m wireless link), and 1.2´10−3 (33 m wireless link) are achieved at 2.1, 2.4, and 2.7 dBm high-speed PD input powers. As the high-speed PD input power increases, the BER first decreases it to reach an optimal value for 12 m, 22 m, and 33 m wireless links. However, after exceeding the optimal high-speed PD input power, further increasing the high-speed PD input power brings on the saturation of MMW signal output power. Once the MMW signal power saturates, further increasing the high-speed PD input power does not lead to a resultant improvement in BER performance. Furthermore, for 60 GHz MMW and 100 GHz sub-THz signals transmission using 16-QAM-OFDM signal at data rates of 20 Gb/s [Fig. 3(b)] and 40 Gb/s [Fig. 3(c)], lowest BERs of 4.5´10−4 and 6.3´10−4 (12 m wireless link), 7.7´10−4 and 8.6´10−4 (22 m wireless link), as well as 2.5´10−3 and 3.8´10−3 (33 m wireless link) are achieved at 4.3 and 6.3 dBm, 4.4 and 6.5 dBm, as well as 4.7 and 6.7 dBm ultra-fast PD, and UTC-PD input powers. Initially, as the input power to the ultra-fast PD/UTC-PD increases, the BER decreases. This trend continues until it reaches a minimum value at an optimal input power level for each link length. Beyond the optimal input power, further increase in input power leads to the saturation of MMW/sub-THz signal output power. Once the MMW/sub-THz signal output power saturates, increasing the ultra-fast PD/UTC-PD input power does not provide proportional improvement in BER performance. For the constellation diagrams, through 25 km SMF, 1.5 km optical wireless, and 33 m MMW/sub-THz wireless transmissions, distinct constellation diagrams are observed at data rates of 10 Gb/s, 20 Gb/s, and 40 Gb/s.

Fig. 3 Measured BERs of 5G NR fiber-wireless converged systems under different conditions. Measured BERs against (a) high-speed PD, (b) ultra-fast PD, and (c) UTC-PD input power, using 16-QAM-OFDM signal at given data rates of 10 Gb/s, 20 Gb/s, and 40 Gb/s.

Measured EVMs versus high-speed PD/ultra-fast PD/UTC-PD input power through hybrid transmission media of 25 km SMF, 1.5 km optical wireless, and 33 m MMW/sub-THz wireless, using 16-QAM-OFDM signal at data rates of 10 Gb/s, 20 Gb/s, and 40 Gb/s are shown in Fig. 4. It can be seen that under appropriate high-speed PD/ultra-fast PD/UTC-PD input power, the EVMs measured at different data rates are less than the 12.5% ​​requirement. For 10 Gb/s data rate (20 GHz MMW signal transmission using 16-QAM-OFDM signal at 10 Gb/s data rate), a minimum EVM of 5.6% is achieved at 2.8 dBm high-speed PD input power. Additionally, for 20 Gb/s and 40 Gb/s data rates (60 GHz MMW and 100 GHz sub-THz signals transmission using 16-QAM-OFDM signal at 20 Gb/s and 40 Gb/s data rates), minimum EVMs of 8% and 9.8% are achieved at 3.3 dBm ultra-fast PD and 4 dBm UTC-PD input powers. Originally, as the input power of high-speed PD/ultra-fast PD/UTC-PD increases, the EVM decreases. This trend continues until the EVM reaches its minimum value. However, beyond a certain point, further increases in input power do not result in a corresponding decrease in EVM. On the contrary, the EVM begins to increase. To achieve the lowest EVMs, it’s crucial to provide optimal input power to high-speed PD/ultra-fast PD/UTC-PD.

Fig. 4 Measured EVMs versus high-speed PD/ultra-fast PD/UTC-PD input power. Measured EVMs versus high-speed PD/ultra-fast PD/UTC-PD input power through hybrid transmission media of 25 km SMF, 1.5 km optical wireless, and 33 m MMW/sub-THz wireless, using 16-QAM-OFDM signal at data rates of 10 Gb/s, 20 Gb/s, and 40 Gb/s.

Please sign in or register for FREE

If you are a registered user on Research Communities by Springer Nature, please sign in

Follow the Topic

Fiber Optics
Technology and Engineering > Biological and Physical Engineering > Photonics and Optical Engineering > Fiber Optics
Microwaves, RF Engineering and Optical Communications
Technology and Engineering > Electrical and Electronic Engineering > Microwaves, RF Engineering and Optical Communications
Wireless and Mobile Communication
Technology and Engineering > Electrical and Electronic Engineering > Communications Engineering, Networks > Wireless and Mobile Communication

Related Collections

With Collections, you can get published faster and increase your visibility.

Engineering the future of 2D transistors: scaling, p-doping, and contact strategies

With this cross-journal Collection, the editors at Nature Communications, Communications Engineering and Scientific Reports invite manuscripts reporting reliable strategies for (down-)scaling, p-doping and contact engineering of 2D transistors.

Publishing Model: Open Access

Deadline: May 31, 2026

Microgrids and Distributed Energy Systems

This Collection highlights the research advancing the design, control, monitoring of microgrids and relevant components, including the coverage of different scales of the electric grids, challenges with integrating various renewable energy sources, and life cycle analyses.

Publishing Model: Hybrid

Deadline: Jun 30, 2026