Experimental Analysis of Synergetic Effect of Part-Cooled Exhaust Gas Recirculation on Magnetic Field-Assisted Combustion of Liquefied Petroleum Gas

Magnetic field-assisted combustion has been under the focus of research for the last three decades around the globe. The effects of strong uniform and gradient magnetic fields and their applications have been experimented on IC engine.
Like

Share this post

Choose a social network to share with, or copy the URL to share elsewhere

This is a representation of how your post may appear on social media. The actual post will vary between social networks

Explore the Research

SpringerLink
SpringerLink SpringerLink

Experimental Analysis of Synergetic Effect of Part-Cooled Exhaust Gas Recirculation on Magnetic Field-Assisted Combustion of Liquefied Petroleum Gas - Arabian Journal for Science and Engineering

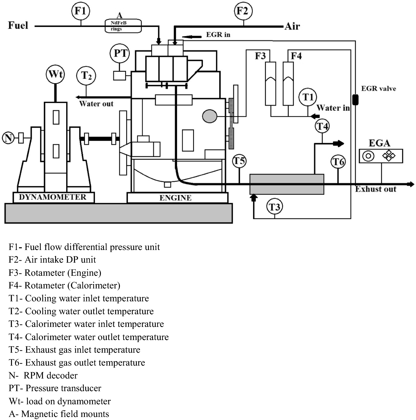
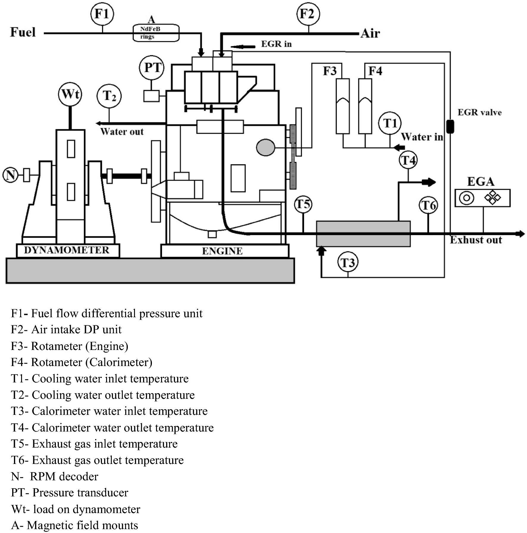
Magnetic field-assisted combustion has been under the focus of research for the last three decades around the globe. The effects of strong uniform and gradient magnetic fields on flame development, behaviour and propagation have been studied, and their applications have been experimented on Internal Combustion Engines. The present work investigates the synergetic effect of part-cooled EGR on the magnetic field-assisted combustion of liquefied petroleum gas in a multicylinder MPFI spark-ignited engine modified for neat LPG operation. Sintered neo-delta magnets with radial magnetization pattern of four different magnetic intensities (0G, 3200G, 4800G and 6400G) are fastened to the fuel line near to the gas injector with a non-magnetic stainless steel integument to prevent any loss of magnetic intensities during the operation. A portion of the exhaust gas is channelled to an intercooler and an optimum percentage of the partially cooled gases are inducted into the inlet manifold for combustion. The experimental study concludes that the optimum flow rate of part-cooled EGR acts synergistically with the applied magnetic fields to enhance the combustion characteristics of LPG emanating an improved fuel economy of 13.8% and brake thermal efficiency of 3.9%. The increased emission of oxides of Nitrogen which is the major setback of LPG combustion can be addressed through the combined effect of part-cooled EGR and magnetic field-assisted combustion. Moreover, the reduction in stability of combustion through the recirculation of exhaust can also be balanced by the applied magnetic field.

The present work investigates the synergetic effect of part-cooled EGR on the magnetic field-assisted combustion of liquefied petroleum gas in a multicylinder MPFI spark-ignited engine modified for neat LPG operation. Sintered neo-delta magnets with radial magnetization pattern of four different magnetic intensities (0G, 3200G, 4800G and 6400G) are fastened to the fuel line near to the gas injector with a non-magnetic stainless steel integument to prevent any loss of magnetic intensities during the operation. A portion of the exhaust gas is channelled to an intercooler and an optimum percentage of the partially cooled gases are inducted into the inlet manifold for combustion. 

Please sign in or register for FREE

If you are a registered user on Research Communities by Springer Nature, please sign in

Go to the profile of Mohamed Jalaludeen B
11 months ago

Please read this article and give your opinion. If you disagree with anything, please state the place and reason where you disagree.
https://docs.google.com/document/d/12584o9sol-RpSsbLonLkIewdVtiwvqX7gHy_k8CHTg8/edit?usp=sharing

Follow the Topic

Magnetic Materials
Physical Sciences > Chemistry > Materials Chemistry > Magnetic Materials
Internal Combustion Engines
Technology and Engineering > Mechanical Engineering > Vehicle Engineering > Engine Technology > Internal Combustion Engines