New imaging pipeline developed to decipher cell-specific metabolic functions

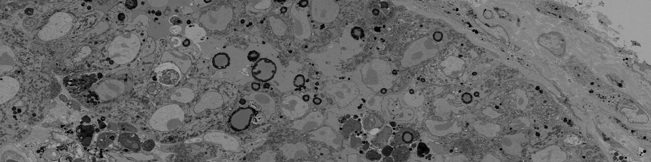
We as part of the Yuneva lab in the Crick and the Electron Microscopy STP have developed an imaging pipeline that uses a wide range of microscopy techniques to extract an unprecedented level of biological information from specimens, shedding light on the intricate metabolic dynamics within cells.

Published in Cancer, Chemistry, and Protocols & Methods

New imaging pipeline developed to decipher cell-specific metabolic functions
Like

Share this post

Choose a social network to share with, or copy the URL to share elsewhere

This is a representation of how your post may appear on social media. The actual post will vary between social networks

We worked together with collaborators at the Francis Crick Institute and NPL, as part of the CRUK Grand Challenges team Rosetta, and have developed a multimodal imaging pipeline that extends upon the principles of correlative light, electron, and ion microscopy (CLEIM), which combines confocal microscopy reporter or probe-based fluorescence, electron microscopy (EM), stable isotope labelling and Nanoscale secondary ion mass spectrometry (NanoSIMS). Their protocol allows an unprecedented extraction of biological information from specimens, whilst being based on a series of well-established and widely available technologies, thus allowing quick adaptation of the protocol for individual research needs. This integration provides a multifaceted view of the tissue microenvironment, capturing both the internal cellular architecture and the intricate metabolic dynamics occurring within. We tested this pipeline by imaging the incorporation of carbon from glucose into B and T cells in mouse liver tumours.

Read the article here - https://www.nature.com/articles/s41596-024-01118-4

If you don't have a subscription - https://rdcu.be/d7WGO

Please sign in or register for FREE

If you are a registered user on Research Communities by Springer Nature, please sign in

Follow the Topic

Electron Microscopy
Life Sciences > Biological Sciences > Biological Techniques > Biological Structure Determination > Electron Microscopy
Mass Spectrometry
Life Sciences > Biological Sciences > Biological Techniques > Mass Spectrometry
Confocal Microscopy
Physical Sciences > Chemistry > Analytical Chemistry > Microscopy > Confocal Microscopy
Tumour Immunology
Life Sciences > Biological Sciences > Cancer Biology > Tumour Immunology
B cells
Life Sciences > Biological Sciences > Anatomy > Haemic and Immune Systems > Immune system > Leukocytes > B cells
CD8-positive T cells
Life Sciences > Biological Sciences > Anatomy > Haemic and Immune Systems > Immune system > Leukocytes > T cells > CD8-positive T cells