Spot the difference – cells or protocells?

When we look at microstructures in rocks from the early Earth, can we be sure whether they are of a biological or non-biological origin? At present, the answer is no. Simple chemical structures, relevant for early Earth environments, mimic biological microstructures obscuring our interpretations.
Spot the difference – cells or protocells?
Like

Share this post

Choose a social network to share with, or copy the URL to share elsewhere

This is a representation of how your post may appear on social media. The actual post will vary between social networks

When we perform analyses in the laboratory we run controls – substances that experience all of the conditions of the sample but without the target analyte – so that we can be certain that our sample data is reflective of the target and not some background interference. When we analyse environmental samples this becomes increasingly difficult as there are so many variables involved. For samples from most of Earth's history we have a relatively good idea of what signals can be produced by abiotic processes – although there is still work to be done. For samples from the very early Earth, where our understanding of the variables is most limited, this is especially challenging. 

Recent advances in the origin of life field have given us a greater understanding of the organic molecules that would have been present on the early Earth prior to the emergence of the first living organisms. This knowledge has been gleaned from the direct analysis of relevant materials (e.g., meteorites, comets) and also from prebiotic chemistry experiments in the laboratory. We now know that a substantial chemical diversity would have been necessary for the formation of the first life forms. Since life eventually emerged, this broad chemical space must have existed. Once life was established, it would have consumed these organic molecules. But as the first life arose into this molecular world, both non-living and living entities would have coexisted for a brief period of time. If this period of overlap occurred in the early Archean (~4.0 to 3.2 Ga) – the geological remains of which are where we search for signs of the earliest microbes – would we be able to distinguish between purely chemical structures and the remains of those microorganisms? 

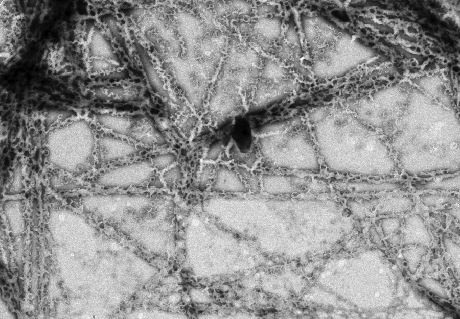
In our recent paper in Communications Earth & Environment we suggest that with current knowledge, the answer to this question is no. Using confocal and electron microscopy images of prebiotic experiments designed to investigate the first cell membranes on Earth, we showed that the morphologies of the resulting protocell microstructures are strikingly similar to what we identify as microfossils in the rock record. For most of Earth's history we can be fairly certain that structures characterised as microfossils are indeed the remains of once living microorganisms. However, for the early Archean, where the boundary between life and non-life is more difficult to discern, we are faced with the very real challenge of distinguishing between abiotic microstructures and actual microfossils.

Comparison between alleged microfossils (a-c), sulfur-organic biomorphs (d), and vesicle aggregates (e-h) 

This is not to say that any microfossils reported from the early-Archean to date are non-biological. All it means is that we cannot rely on morphology alone in our interpretation – we need to develop new tools for this work. In our paper, we show that population morphometry may be one such tool. This image analysis technique looks at microscopy images and analyses the distribution of objects therein. We showed that it might be possible to distinguish between simple non-biological and biological microstructures using this approach, but that more complex populations may muddy the waters. Many studies on early-Archaean microfossils provide multiple lines of evidence for biogenicity. All we are arguing is that clearly biological morphology can be mimicked by abiotic processes and right now we do not know if other analyses of relevant non-living materials – such as molecular or isotopic analyses – can also yield life-like data leading to incorrect interpretation.

In our ProtoSigns Lab at Dublin City University we are now investigating this. We are generating more biomorphs and testing their preservation potential in various geologically relevant materials. From there we are analysing them using techniques commonly applied to geological samples. Using the information that we gather we are hoping to develop a novel approach to biogenicity determination that will allow us to characterise potential biosignatures from the early Earth – and potentially from Mars and elsewhere in our Solar System – with a high degree of certainty. Building up our knowledge of the baseline for biosignature detection in these extreme cases is key to the future of our understanding of life in the universe.

Please sign in or register for FREE

If you are a registered user on Research Communities by Springer Nature, please sign in

Follow the Topic

Earth Sciences
Physical Sciences > Earth and Environmental Sciences > Earth Sciences
Astrobiology
Physical Sciences > Physics and Astronomy > Astronomy, Cosmology and Space Sciences > Astrobiology
Paleontology
Physical Sciences > Earth and Environmental Sciences > Earth Sciences > Paleontology
Origin of Life
Life Sciences > Biological Sciences > Evolutionary Biology > Origin of Life

Related Collections

With Collections, you can get published faster and increase your visibility.

Climate extremes and water-food systems

In this collection, we highlight articles exploring the interactions between climate extremes and water-food systems.

Publishing Model: Open Access

Deadline: May 31, 2026

Archaeology & Environment

​In this cross-journal Collection, we invite research that provides insight into the interactions between humans and our environment throughout our evolutionary history.​​

Publishing Model: Hybrid

Deadline: Mar 31, 2026