When crystals start to move: uncovering the hidden role of shear during magma ascent

What if volcanic crystals don’t just record chemistry, but motion? Using crystallographic analysis, we show amphibole reaction rims capture magma flow prior to an eruption: crystals grow aligned, then rotate with shear, revealing a hidden mechanical fingerprint and record of magma ascent dynamics.

Published in Earth & Environment

When crystals start to move: uncovering the hidden role of shear during magma ascent
Like

Share this post

Choose a social network to share with, or copy the URL to share elsewhere

This is a representation of how your post may appear on social media. The actual post will vary between social networks

As volcanologists, we are often trying to reconstruct something we can never directly observe: how magma moves through the Earth before it erupts. For decades, one of our most trusted tools has been minerals, tiny recorders of the conditions deep beneath volcanoes. Among these, amphibole has played a particularly important role. Because it contains structurally-bound water, it is sensitive to the pressure, temperature and water content of its environment. At increasing temperature or decreasing pressure or water content, it decomposes into anhydrous minerals like pyroxene and plagioclase, and liberates its water. Due to this reactivity, amphibole breakdown textures have long been used to infer the conditions of magma storage and ascent (Fig. 1).

Like many others, I was initially drawn to amphibole for exactly this reason. My early interest was simple: can we use hydrous minerals to better understand where and how magma is stored before eruption? 

Fig. 1: Cross polarized light (XPL) photomicrograph of a large amphibole crystal (centre) surrounded by a reaction rim. Thin section of a lava sample collected from the 1991-1995 Unzen lava dome eruption.

A familiar texture, a new question

Amphibole breakdown produces what are known as reaction rims, fine-grained shells of new minerals that form as the crystal becomes unstable (Fig. 2). These rims have been studied for decades and are typically interpreted through a thermodynamic lens: decompression, heating, changes in melt composition.

Our original goal was to revisit these interpretations using a relatively new technique in volcanology: electron backscatter diffraction (EBSD). EBSD allows us to map the crystallographic orientation of minerals, essentially, how atoms are arranged and aligned within each crystal.

We initially just wanted to see whether EBSD could tell us something about how amphibole breaks down. Was it decompression? Heating? Could we distinguish between them crystallographically?

At the time, applying EBSD to magmatic reaction textures was still relatively novel. It had been used in structural geology and metamorphic systems for years, but using it to interrogate rapidly evolving magmatic processes felt like stepping into new territory.

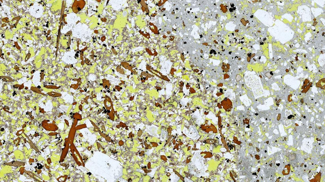
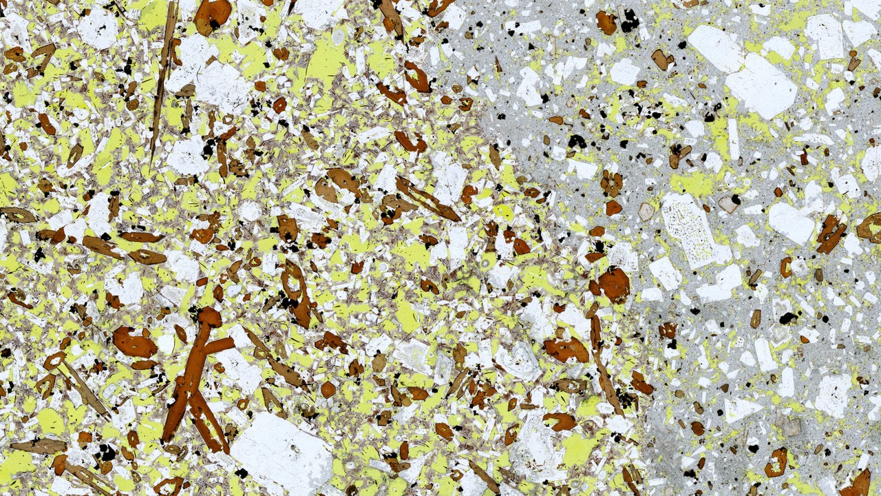
Fig. 2: Classic examples of amphibole crystals (green) and their reaction rims from four different volcanic systems. The relative misorientation maps show the degree of topotaxy of the pyroxene grains in the rim, relative to the amphibole.

The moment things didn’t fit

The first crystals to form during amphibole breakdown (i.e. pyroxenes) don’t grow randomly. Instead, they inherit the crystallographic structure of the amphibole itself. This process, known as topotaxy, means the new crystals are initially perfectly aligned with their parent.

What we expected to see was relatively straightforward: crystallographic patterns that might differ depending on whether amphibole broke down due to heating, decompression or some other mechanism.

What we actually found was far more striking.

In some natural samples, we indeed observe pyroxene crystals that are nicely aligned to their host amphibole. In many other cases, this alignment is not present. However, even though the pyroxenes don’t match the amphibole, they are not random in their orientations. Instead, the crystals appeared progressively rotated as a group, sometimes subtly, sometimes dramatically. The patterns were systematic, reproducible, and varied between volcanic systems.

At that point, the question shifted entirely.

If we start by assuming that all the magmatic systems start the same way: with the crystals aligned,  what is rotating them in some systems and not others?

When magma flow leaves a fingerprint

The answer, we realised, was not purely chemical or thermal, it was mechanical.

As magma ascends towards the surface, it flows. And that flow is not gentle. It involves shearing and stretching that evolve through time and space. What we show in our study is that this flow can physically rotate the newly formed crystals.

In other words, the reaction rim is not just recording when and how amphibole became unstable, it is recording how the magma was moving at that exact moment.

Using a combination of EBSD data, laboratory experiments, and numerical modelling, we demonstrate that even relatively modest amounts of shear can progressively rotate crystals away from their original topotactic alignment.

One of the most surprising aspects was that this effect appears even in experiments where no external deformation was applied. Simply allowing amphibole crystals to sink under their own gravity in a melt generates enough local flow to produce measurable crystallographic rotation.

That was a real turning point. Even in what we think of as ‘static’ experiments, the system is still moving.

Fig. 3: Numerical modelling simulation of amphibole experiencing gravitational settling and simple shear, along with schematics of the stages involved in amphibole reaction rim transitioning from topotactic alignment (step 1), rotation and new rim growth (step 2) and continued amphibole breakdown (step 3).

A new way to read volcanic textures

What emerged from this work is a fundamentally different way of interpreting amphibole reaction rims.

Traditionally, these textures have been treated as snapshots of chemical disequilibrium, records of pressure, temperature, and composition (P–T–X). What we show is that they also encode deformation.

This transforms them into what we describe as four-dimensional recorders: P–T–X–ε (where ε represents strain).

This shift has important implications. It helps explain why similar-looking reaction rims can form under very different conditions, and why previous interpretations sometimes appeared contradictory. By incorporating deformation, we can reconcile these differences within a single framework.

It also opens the door to something quite powerful: reconstructing magma ascent not just chemically, but mechanically.

Challenges along the way

Of course, this wasn’t a straightforward path.

One of the main challenges was bridging disciplines. EBSD sits at the interface of materials science, structural geology, and petrology. Applying it to magmatic systems required adapting workflows, developing new ways to visualise the data, and, importantly, convincing ourselves that what we were seeing was real.

Another challenge was interpretation. Crystallographic data can be incredibly rich, but also ambiguous if taken in isolation. It was only by combining EBSD with experiments and numerical models that the full picture emerged.

And then there is always the challenge of letting go of established ideas.

For a long time, we’ve interpreted these textures almost entirely in terms of thermodynamics. Recognising that deformation plays a central role required a bit of a conceptual shift.

Looking forward

This study is, in many ways, just the beginning.

If crystal orientations can record strain during magma ascent, then we have a new tool for probing the dynamics of volcanic systems. This could help us better understand processes such as conduit flow, strain localisation, and even the transitions that lead to explosive eruptions.

More broadly, it highlights the importance of integrating mechanics into petrology. Magmas are not just chemical systems, they are flowing, deforming materials. Their history is written not only in compositions, but in textures and structures.

For me, one of the most exciting aspects is that this information has been there all along, hidden in plain sight within these reaction rims.

We’ve been looking at these textures for decades. But only now are we starting to see that they’re recording much more than we realised.

Please sign in or register for FREE

If you are a registered user on Research Communities by Springer Nature, please sign in

Follow the Topic

Earth Sciences
Physical Sciences > Earth and Environmental Sciences > Earth Sciences
Volcanology
Physical Sciences > Earth and Environmental Sciences > Earth Sciences > Geodynamics > Volcanology
Petrology
Physical Sciences > Earth and Environmental Sciences > Earth Sciences > Petrology
Mineralogy
Physical Sciences > Earth and Environmental Sciences > Earth Sciences > Mineralogy

Related Collections

With Collections, you can get published faster and increase your visibility.

Women's Health

A selection of recent articles that highlight issues relevant to the treatment of neurological and psychiatric disorders in women.

Publishing Model: Hybrid

Deadline: Ongoing

Biosensing

With this cross-journal Collection, the editors of Communications Biology, Nature Biomedical Engineering, Nature Sensors, Nature Communications, and Scientific Reports welcome the submission of primary research Articles focusing on the development of engineered biosensing devices with the potential to be applied in biomedical research and in the management of disease conditions.

Publishing Model: Hybrid

Deadline: Jun 30, 2026